SERVICES

icon
icon
icon

Project | On-site Assistance | Specialized studies |
Assistance for customers | | ↓|

Projection serivices:

- Protection cubicles
- Automation for power plant and electrical substations


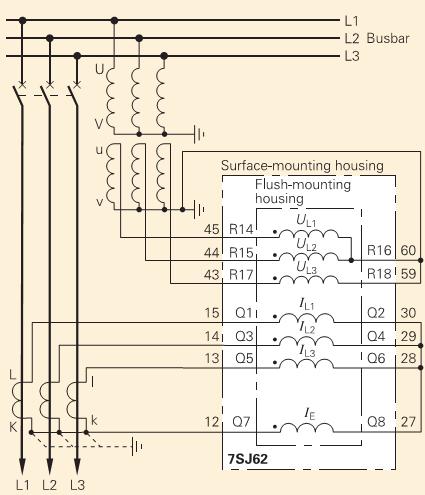
The design of the protection and automation cubicles is made based on technical solutions defined by the general contractor and it covers all the aspects of the execution starting with the trip matrix, the digital inputs and outputs lists for protection relays and finishing with detailed schematics and the mechanical elements that are essential for the manufacturing process.

Most of the times the projects implemented by SPECTRUM POWER are made in the next phase of production as a result of an integrated concept of design, construction, testing and commissioning of the protection and automation cubicles. As a general rule before switching to any cubicle execution phase, the project is discussed with the client who has to aprove it.







On-site technical assistence



On-site technical assistance services covers a wide range: from consulting services for estabilish some technical solutions to evaluation functionality for some equipments or parameterization and testing of protection relays.

For the power quality analysis we are using portable equipment and specialized software in order to have quality parameters that are automatically determined according to the standards EN50160 and EN61000.

For testing protection relays we provide qualified personnel for a wide range of products: SIEMENS SIPROTEC relays, ALSTOM or ABB relays.









Specialized studies for electrical networks:



These are required for new installations and also recommended for older facilities:


- Analysis of steady state power flow

- Short circuit calculation

- Protection coordination studies









Specialized assistance for producers and customers of energy:



SPECTRUM POWER is a reliable partner for customers who want to make new investments or for those who want to optimize the activity related to the production or consumption of electricity. The range of services covers various aspects:

- Technical consultancy for estabilish the optimal solutions in terms of economical and technical view for connection at power system

- Technical assistance for the negotiation of economical and technical conditions with the power supplier



img

Products
Specialized products for power plant and electrical substations

img

Services
Projection serivices, specialized studies


img

References
Reference lists

img

Download
Projects, Catalogs


img

Carier
Learn. get involved, join the team